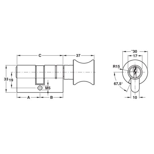
Thông số kĩ thuật của ruột khóa 1 đầu chìa, 1 đầu vặn đầu Hafele 916.06.716
| Ø núm vặn | 30 mm |
| Chiều sâu đầu vặn | 38 mm |
| Loại khóa | có 5 lẫy chốt |
| Chiều dài ruột khóa bên ngoài | 50.5 mm |
| Chiều dài ruột khóa bên trong | 50.5 mm |
| Tổng chiều dài ruột khóa | 101 mm |
| Màu/lớp hoàn thiện vỏ ruột khóa | niken mờ |
| Chất liệu vỏ ruột khóa | Đồng |



























Đánh giá
Chưa có đánh giá nào.