Tính năng nổi bật
- Hỗ trợ điều chỉnh: khả năng điều chỉnh 3 chiều cho cánh tủ. Khả năng điều chỉnh lực nâng.
Trọn bộ gồm:
- 1 cặp phụ kiện tay nâng Free Fold S (1 bên trái, 1 bên phải; bao gồm bas nối với cánh tủ, hướng dẫn lắp đặt và mẫu khoan bằng giấy)
- 1 cặp nắp đậy (2 cái, trái/ phải)
- 2 bản lề với đế
- 2 bản lề nối cánh
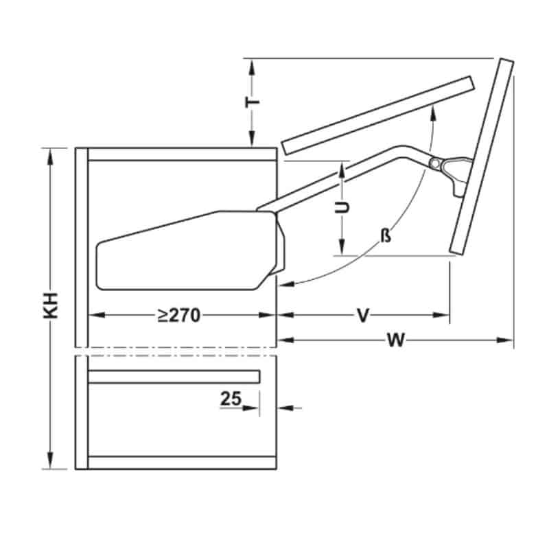
Thông số kỹ thuật
- Chiều cao tủ: 520 – 590 mm
- Trọng lượng cánh trước: 7,8 – 15,2 kg
- Chất liệu: phụ kiện: thép, nhựa; nắp đậy: nhựa
- Màu hoàn thiện: phụ kiện: mạ nicken, nắp đậy màu trắng
































Đánh giá
Chưa có đánh giá nào.