Thông số kĩ thuật của bộ tay nâng FREE FOLD SHORT Hafele 493.05.899, trắng
- Chất liệu: Phụ kiện lắp đặt: Nhựa, thép, nắp chụp: Nhựa
- Màu/Lớp phủ hoàn thiện: Phụ kiện lắp đặt: Mạ nikel, Nắp chụp: Trắng
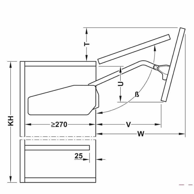
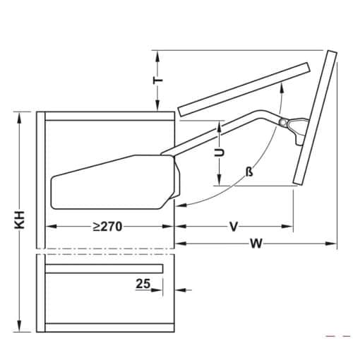
- Điều chỉnh: Chiều cao/cạnh/chiều sâu của mặt trên cùng (qua bản lề âm) và mặt dưới (qua bản lề kết nối), lực nâng/ lực kéo trung tâm (qua phụ kiện lắp đặt)
- Chiều cao của tủ (mm): 770 – 840
- Trọng lượng cánh trước (kg): 10.5 – 20.9 kg




































Đánh giá
Chưa có đánh giá nào.