Phụ kiện cửa trượt kính Hafele 402.32.032 là giải pháp chuyên dụng dành cho các hệ cửa kính trượt, giúp cánh cửa vận hành trơn tru, ổn định và bền bỉ trong suốt quá trình sử dụng. Sản phẩm được sản xuất với độ chính xác cao, hỗ trợ cửa kính di chuyển nhẹ nhàng, hạn chế rung lắc và giảm thiểu tiếng ồn, mang lại trải nghiệm sử dụng êm ái và dễ chịu.
Đặc điểm nổi bật
- Ứng dụng cho hệ cửa kính trượt 2 cánh: Phù hợp lắp đặt cho tủ kính trưng bày, tủ phòng tắm hoặc các không gian nội thất hiện đại, đảm bảo chuyển động cân bằng và mượt mà.
- Khả năng chịu tải tốt: Chịu tải tối đa lên đến 25 kg/cặp, đáp ứng hiệu quả nhu cầu sử dụng với các cánh kính có kích thước tiêu chuẩn.
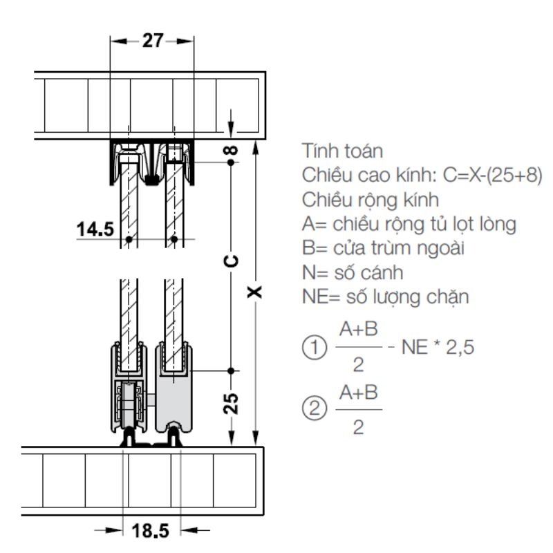
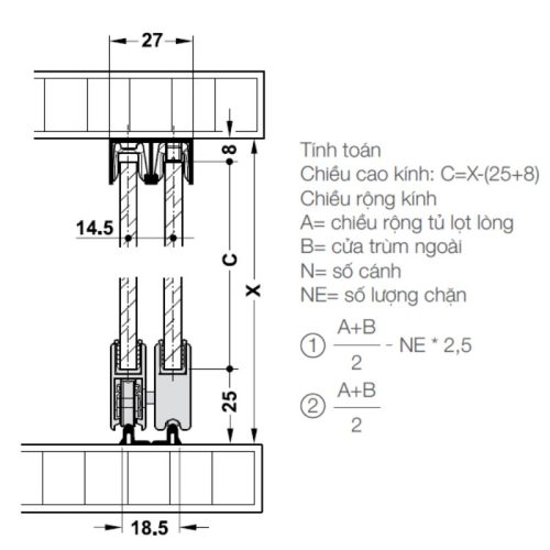
- Thông số kính linh hoạt: Tương thích với cánh kính rộng từ 600–1.200 mm, chiều cao tối đa 1.400 mm và độ dày kính lên đến 8 mm, dễ dàng áp dụng cho nhiều thiết kế khác nhau.
- Hệ bánh xe vận hành êm: Trang bị 3 bánh xe phía trên, kết hợp trục bi và lớp nhựa bọc ngoài giúp giảm ma sát, tăng độ bền và hạn chế tiếng ồn khi đóng mở.
- Thi công thuận tiện: Cấu trúc gọn nhẹ, dễ lắp đặt cho hệ cửa kính trượt 2 cánh, giúp tiết kiệm thời gian và công sức.
- Tăng tính thẩm mỹ và tối ưu diện tích: Giải pháp cửa trượt hiện đại giúp không gian gọn gàng, tinh tế và sử dụng diện tích hiệu quả hơn.














Đánh giá
Chưa có đánh giá nào.