Bản lề lá 4BB Hafele 926.25.505 thiết kế hiện đại, mang tính thẩm mỹ cao. Bản lề cánh bướm 4 vòng bi, chịu lực 3 bản lề lên đến 80Kg
Tính năng của bản lề lá 4BB Hafele 926.25.505

Ảnh bản lề lá 4BB Hafele 926.25.505
- Bản lề cửa gỗ hafele 926.25.505 thuộc dòng: Startec
- Chất liệu: inox 304
- Hoàn thiện: màu inox mờ
- Dùng cho khung gỗ
- Dùng cho cửa gỗ phẳng
- Trục quay cố định
- Thiết kế với 4 vòng bi
- Bản lề cửa gỗ hafele 926.25.505 thích hợp cho cửa mở trái và mở phải
Thông số kỹ thuật của bản lề lá 4BB Hafele 926.25.505

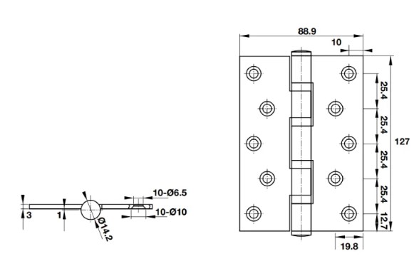
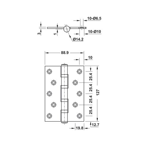
Kích thước bản lề lá 4BB Hafele 926.25.505
- Kích thước bản lề: 127x89x3 mm (5”x3.5”x3mm )
- Độ dày bản lề lá 926.25.503: 3 mm
- Vòng bi: Ø14 mm
- Khoan lỗ kiểu ZIGZAG
- Chịu tải lực trên 3 bản lề: 80 kg
- Tiêu chuẩn đóng gói: Hai bản lề kèm vít inox





















Đánh giá
Chưa có đánh giá nào.