Tính Năng
- Ray âm nhấn mở, mở toàn phần
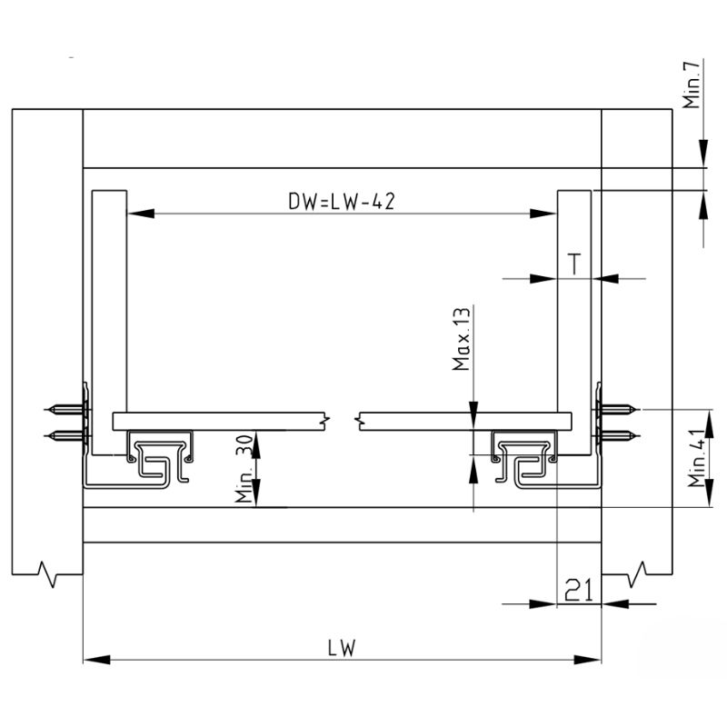
- Dài 500mm
- Chiều dài ngăn kéo 490mm
- Chiều sâu hộc tủ 505mm
- Tải trọng 50Kg
- 60.000 lần đóng mở, theo tiêu chuẩn DIN EN 15338 Grade 3
- Chức năng đóng mở đồng bộ và tích hợp giảm chấn
- Điều chỉnh 3 chiều ( lên/xuống 1.5mm, trái/phải 0.5mm, trước/sau từ -1.5 đến 1.5mm )
- Dễ dàng tháo lắp thông qua bas ray trượt
- Trọn bộ gồm 1 cặp ray trượt, 1 cặp bas
Công nghệ và tiện ích
- Tải trọng 50Kg cho ngăn kéo kích thước lớn: với tải trọng tối đa cho phép 50Kg, có thể sử dụng cho những thiết kế hộc kéo lớn, tăng sức chứa được nhiều vật dụng hơn
- 60.000 lần chu kỳ đóng mở: vận hành bền bỉ với 60.000 lần chu kì đóng mở, yên tâm sử dụng trong suốt thời gian dài
- Cơ chế nhấn mở tích hợp giảm chấn, cùng với chức năng đồng bộ: phù hợp với thiết kế ngăn kéo không tay nắm. Dễ dàng mở bằng cách nhấn nhẹ và đóng lại êm ái không tiếng ồn, tăng thời gian sử dụng nội thất
- Thanh ổn định: cho phép vùng nhấn rộng để mở ngăn kéo



















Đánh giá
Chưa có đánh giá nào.